Today we’d like to introduce you to Clara Medalen.
Clara, we appreciate you taking the time to share your story with us today. Where does your story begin?
When I first started my chiropractic schooling, my puppy, Nero, suffered two concussions. Twice, he was hit in the head with a tennis ball while playing fetch. Most people do not know how easily puppies can get misalignments because they have very little muscle to stabilize their body. To adjust a puppy, it only takes the pressure you would use to test the ripeness of a tomato. The hit on the head was more than enough to misalign his skull bones. The inflammation put pressure on his brain and caused him to have uneven pupils, anxiety and headaches. His eyes would not track together or respond in sync and he could not relax enough to sleep well.
With consistent chiropractic care, he is fully recovered. He still receives wellness care and we still use our advanced technology to ensure he is not hiding any subtle symptoms of pain or nerve damage. My dream is for every pet to receive the care they need. That is why my clinic serves animals only to make sure they have our full attention and support. At Cloudberry Lane we are experts, not a Jack of all trades, so that we get to the root cause of each animal’s health concerns and the owners can see objective, measurable results.
Alright, so let’s dig a little deeper into the story – has it been an easy path overall and if not, what were the challenges you’ve had to overcome?
The biggest challenge is explaining things in a way that makes sense to owners. An example is a dog who chases their tail. Some times it is a playful behavior, but often they end up chewing on the base of their tail and that is actually a sign that their sciatic nerve is pinched. Quite a few owners know what sciatica feels like from personal experience. By describing things in the correct way, we can help our owners put themselves in their pet’s body.
Thanks – so what else should our readers know about Cloudberry Lane Animal Chiropractic?
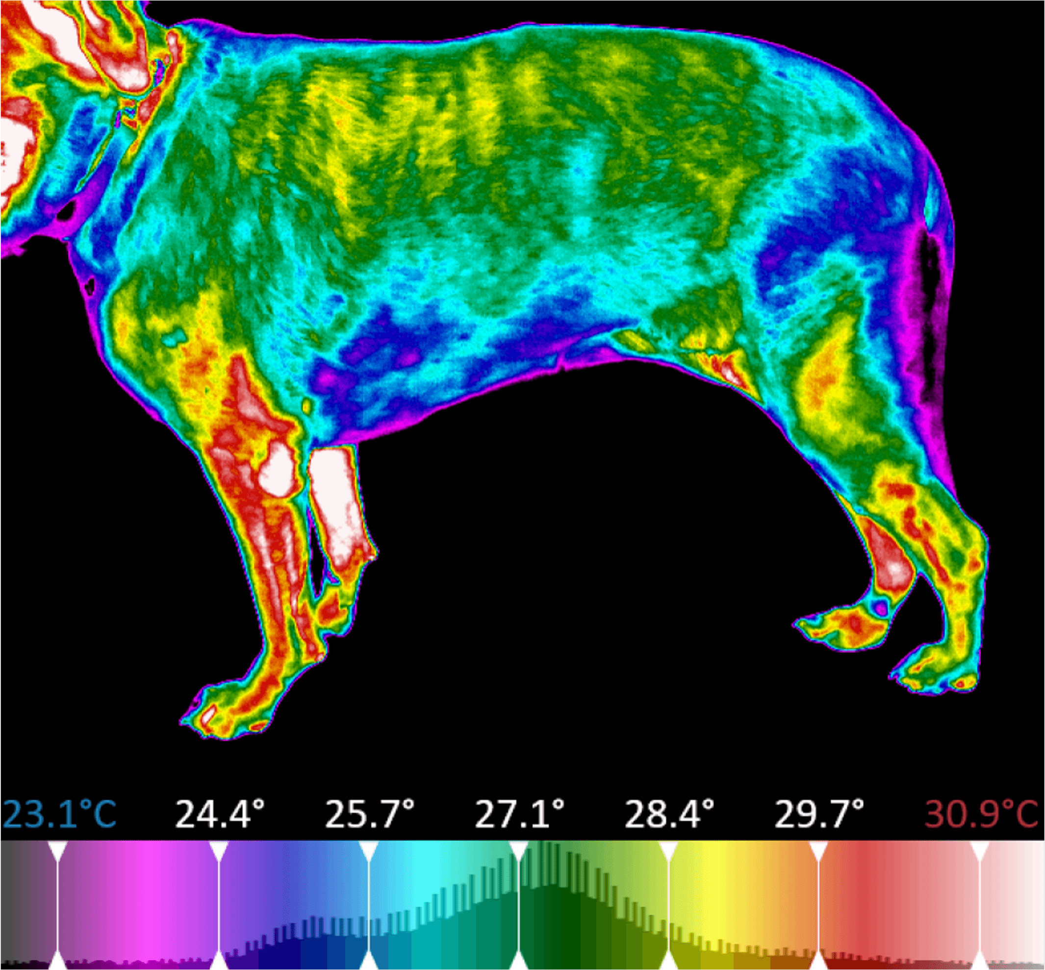
We are unique even among other animal chiropractors because we are the only office with a Tekscan electronic gait analysis and we are the only clinic of any kind in the USA with both a gait analysis and a WellVu thermal scanner. These advance technologies allow us to determine a history of injury. Most pets injure themselves at a young age before they have their adult muscle to help stabilize their body. It takes about 10 years of overcompensating before the average pet owner can determine their pet is in pain.
Most pets will start to feel discomfort around the age of 3-4 years old and that often manifests are gait changes, posture changes, scratching or licking at painful areas, behavior changes, or new avoidance to activities or being touched. Because four-legged animals are better at compensating, they can hide pain from us so we focus on education in the office to help people know what to look for.
7-10 years of age is when pets may start showing us bigger signs of pain like licking hot spots, chewing on the base of their tail, limping occasionally, less energy or less willing to do activities they used to love. As they continue to age, we will hear owners talking about their pet not being able to jump or climb stairs, sliding on slick floors, or becoming irritable with other pets or people.
Our technology gives us the ability to determine if any old injuries are contributing to a new pain or if the animal is compensating correctly. We do this by taking thermal images that show things such as sprains, arthritis, muscle overuse, pinched nerves, or nerve damage. We then use our gait analysis to measure everything from acceleration to weight bearing which informs us how stable the pet is and what we will need to do in order to help them heal.
Do you have any advice for those looking to network or find a mentor?
My mentors have been other chiropractors who have gone above and beyond to make sure students knew where to turn to with questions. There are a lot of great mentoring groups that require a monthly fee and I encourage people to utilize those groups. If that is not available to you, the best advice I have every received was to get comfortable with rejection. So my advice to you is to ask professionals you admire if they will mentor you, the worst they can say is “no”.
Contact Info:




